FA605A
FIBOS
0.1~5N.m
±0.0.1%FS
تفصیلی طول و عرض کی ڈرائنگ دیکھیں
-
-
-
ایلومینیم کھوٹ/سٹینلیس سٹیل
| دستیابی: | |
|---|---|
کومپیکٹ ان لائن روٹری ٹارک سینسر FA605A مصنوعات کی تفصیل |
| FIBOS FA605A ایک کمپیکٹ ڈائنامک ٹارک سینسر ہے جو گھومنے والی ایپلی کیشنز میں درست کم رینج ٹارک کی پیمائش کے لیے ڈیزائن کیا گیا ہے۔ 0.1–5 Nm کی صلاحیت کی حد کے ساتھ، یہ کم ہسٹریسیس اور اعلیٰ تکرار کے ساتھ مستحکم اور درست پیداوار فراہم کرتا ہے۔ اس کا غیر رابطہ ڈیزائن مسلسل آپریشن کے دوران قابل اعتماد کارکردگی اور طویل سروس کی زندگی کو یقینی بناتا ہے۔ سینسر سسٹم کے آسان انضمام کے لیے متعدد آؤٹ پٹ سگنلز کی حمایت کرتا ہے۔ چھوٹے موٹر ٹیسٹنگ، صحت سے متعلق ٹولز، اور آٹومیشن سسٹمز کے لیے مثالی۔ |
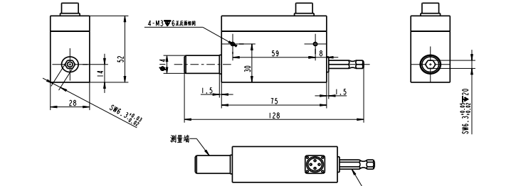
Flange ماونٹڈ روٹری ٹارک سینسر FA604 سینسر کے طول و عرض (یونٹ: ملی میٹر) |

ہم اپنی مصنوعات کی 3D ماڈل فائلیں فراہم کرتے ہیں۔سپورٹ ۔ |
متحرک ٹارک سینسرز کے لیے درخواست کے طریقے لوڈ کریں۔ |
متحرک ٹارک سینسر کے انتخاب کی تعریف |
![]() |
![]() |
Flange ماونٹڈ روٹری ٹارک سینسر FA604 سینسر کی تفصیلات |
| درجہ بندی کی حد | تکنیک |
شرح شدہ ٹارک |
0.1~5N.m |
| درستگی | ±0.1%FS |
| اوورلوڈ کی گنجائش | 150% |
| تعدد رسپانس | 1ms |
| آپریٹنگ درجہ حرارت | -20~60°C |
| صفر پر Tamp.efliect | 0.02%FS/10°C |
| حساسیت پر Temp.effect | 0.02%FS/10°C |
| بجلی کی فراہمی | 24VDC±15% |
| مواد | ایلومینیم کھوٹ |
| کیبل کا سائز | φ3x0.25m |
| سرخ: 24V+; سیاہ: 24V-; سبز:RS485 (B)؛ اورنج: RS485 (A)؛ براؤن: ٹارک فریکوئنسی آؤٹ پٹ؛ سفید: سپیڈ آؤٹ پٹ؛ نیلا: اینالاگ وولٹیج؛ پیلا: عام سگنل | |
غیر رابطہ متحرک ٹارک سینسر کی تنصیب |

سینسر اسٹائلنگ کی تجاویز |
![]() |
فورس سینسر مینوفیکچرنگ کے عمل |
سینسر غیر معیاری حسب ضرورت عمل |
|
| Fibos کے پاس ایک پیشہ ور تکنیکی ٹیم ہے جو کلائنٹ کی مخصوص ضروریات کو پورا کرنے کے لیے اپنی مرضی کے مطابق مصنوعات تیار کرنے کی صلاحیت رکھتی ہے۔ ہمارا R&D سائیکل بغیر کسی رکاوٹ کے ہماری اندرون ملک پروڈکشن لائنوں کے ساتھ مربوط ہے، جس سے ہمیں مختصر مدت کے اندر متعلقہ مصنوعات فراہم کرنے کا اہل بناتا ہے۔ |
Torque سیریز کے لیے کسٹمر کیس اسٹڈیز |
Force Sensors کے بارے میں اکثر پوچھے گئے سوالات |
A: FA605A فلانج قسم کا ٹارک سینسر بڑے پیمانے پر موٹر ٹیسٹنگ، آٹوموٹیو ڈرائیو ٹرین تجزیہ، پنکھے اور پمپ ٹیسٹنگ، خودکار پروڈکشن لائنز، اور تحقیقی ایپلی کیشنز میں استعمال ہوتا ہے جن کے لیے ریئل ٹائم ٹارک مانیٹرنگ کی ضرورت ہوتی ہے۔
A: FA605A غیر رابطہ سگنل ٹرانسمیشن ٹیکنالوجی کا استعمال کرتا ہے، سلپ رِنگز سے وابستہ لباس کو ختم کرتا ہے۔ فوائد میں شامل ہیں:
کوئی مکینیکل رابطہ نہیں، لمبی عمر
کم شور کے ساتھ مستحکم سگنل
تیز رفتار گردش ایپلی کیشنز کے لیے موزوں ہے۔
A: FA605A متحرک ٹارک کی پیمائش کرتا ہے۔ کچھ ماڈلز پاور کیلکولیشن کی حمایت کرتے ہیں، جو اسے جامع کارکردگی کی جانچ کے لیے موزوں بناتے ہیں۔
A: جی ہاں، اس کے غیر رابطہ ڈیزائن کی بدولت، FA605A تیز رفتار گھومنے والے آلات کے لیے مثالی ہے، سلپ رنگ پہننے اور سگنل کی عدم استحکام سے بچتا ہے۔
A: پرچی رنگ کے سینسر کے مقابلے میں، غیر رابطہ FA605A پیش کرتا ہے:
کوئی پہننا اور کم دیکھ بھال
زیادہ مستحکم سگنل ٹرانسمیشن
مسلسل آپریشن میں بہتر کارکردگی
A: جی ہاں، FIBOS تخصیص کے اختیارات پیش کرتا ہے بشمول ٹارک رینج، شافٹ سائز، آؤٹ پٹ سگنلز (اینالاگ یا ڈیجیٹل)، اور مخصوص ضروریات کو پورا کرنے کے لیے انٹرفیس کی اقسام۔
مواد خالی ہے!
پریسجن فورس سینسنگ
- استحکام کے لیے انجینئرڈ، درستگی کے لیے کیلیبریٹڈ۔