ایف اے 604
FIBOS
5~1000N.m
±0.017%FS
تفصیلی طول و عرض کی ڈرائنگ دیکھیں
-
-
-
ایلومینیم، سٹینلیس سٹیل/ مصر دات اسٹیل
| دستیابی: | |
|---|---|
Flange ماونٹڈ روٹری ٹارک سینسر FA604 مصنوعات کی تفصیل |
FIBOS FA604 ایک اعلی کارکردگی والا متحرک روٹری ٹارک سینسر ہے جو گھومنے والے نظاموں میں درست ٹارک کی پیمائش کے لیے ڈیزائن کیا گیا ہے۔ 5 Nm سے 1000 Nm کی صلاحیت کی حد کے ساتھ، یہ بہترین ریپیٹیبلٹی اور کم ہسٹریسس کے ساتھ درست اور مستحکم پیداوار فراہم کرتا ہے۔ اس کی مضبوط تعمیر اور IP65 تحفظ صنعتی ماحول کی مانگ میں قابل اعتماد آپریشن کو یقینی بناتا ہے۔ سینسر کنٹرول اور نگرانی کے نظام میں ہموار انضمام کے لیے متعدد آؤٹ پٹ سگنلز کی حمایت کرتا ہے۔ موٹر ٹیسٹنگ، طاقت کی پیمائش، اور صنعتی آٹومیشن ایپلی کیشنز کے لئے مثالی.
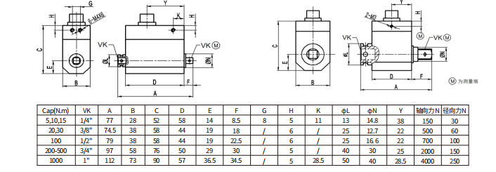
فلینج ماؤنٹڈ روٹری ٹارک سینسر FA604 سینسر کے طول و عرض (یونٹ: ملی میٹر) |

ہم اپنی مصنوعات کی 3D ماڈل فائلیں فراہم کرتے ہیں۔سپورٹ ۔ |
متحرک ٹارک سینسرز کے لیے درخواست کے طریقے لوڈ کریں۔ |
متحرک ٹارک سینسر کے انتخاب کی تعریف |
![]() |
![]() |
Flange ماونٹڈ روٹری ٹارک سینسر FA604 سینسر کی تفصیلات |
| درجہ بندی کی حد | تکنیک |
شرح شدہ ٹارک |
50~1000N.m |
رفتار کی حد |
≤8000rpm |
| ٹارک سگنل | RS485/±10V/ ± 5V/4-20mA/0-10V/0-5V/5-15KHz |
| درستگی | ±0.1%FS |
| اوورلوڈ کی گنجائش | 150% |
| تعدد رسپانس | 1ms |
| آپریٹنگ درجہ حرارت | -20~65°C |
| صفر پر Tamp.efliect | 0.02%FS/10°C |
| حساسیت پر Temp.effect | 0.02%FS/10°C |
| بجلی کی فراہمی | 24VDC±15% |
| مواد | ایلومینیم، مصر دات سٹیل/ سٹینلیس سٹیل |
| کیبل کا سائز | φ5.2x3m |
| سرخ: 24V+; سیاہ: 24V-; سبز:RS485 (B)؛ اورنج: RS485 (A)؛ براؤن: ٹارک فریکوئنسی آؤٹ پٹ؛ سفید: سپیڈ آؤٹ پٹ؛ نیلا: اینالاگ وولٹیج؛ پیلا: عام سگنل | |
غیر رابطہ ڈائنامک ٹارک سینسر کی تنصیب |

سینسر اسٹائلنگ کی تجاویز |
![]() |
فورس سینسر مینوفیکچرنگ کے عمل |
سینسر غیر معیاری حسب ضرورت عمل |
|
| Fibos کے پاس ایک پیشہ ور تکنیکی ٹیم ہے جو کلائنٹ کی مخصوص ضروریات کو پورا کرنے کے لیے اپنی مرضی کے مطابق مصنوعات تیار کرنے کی صلاحیت رکھتی ہے۔ ہمارا R&D سائیکل بغیر کسی رکاوٹ کے ہماری اندرون ملک پروڈکشن لائنوں کے ساتھ مربوط ہے، جس سے ہمیں مختصر مدت کے اندر متعلقہ مصنوعات فراہم کرنے کا اہل بناتا ہے۔ |
Torque سیریز کے لیے کسٹمر کیس اسٹڈیز |
Force Sensors کے بارے میں اکثر پوچھے گئے سوالات |
A: FA604 فلانج قسم کا ٹارک سینسر بڑے پیمانے پر موٹر ٹیسٹنگ، آٹوموٹیو ڈرائیو ٹرین تجزیہ، پنکھے اور پمپ ٹیسٹنگ، خودکار پروڈکشن لائنز، اور تحقیقی ایپلی کیشنز میں استعمال ہوتا ہے جن کے لیے حقیقی وقت میں ٹارک کی نگرانی کی ضرورت ہوتی ہے۔
A: FA604 غیر رابطہ سگنل ٹرانسمیشن ٹیکنالوجی کا استعمال کرتا ہے، سلپ رِنگز سے وابستہ لباس کو ختم کرتا ہے۔ فوائد میں شامل ہیں:
کوئی مکینیکل رابطہ نہیں، لمبی عمر
کم شور کے ساتھ مستحکم سگنل
تیز رفتار گردش ایپلی کیشنز کے لیے موزوں ہے۔
A: FA604 متحرک ٹارک کی پیمائش کرتا ہے۔ کچھ ماڈلز پاور کیلکولیشن کی حمایت کرتے ہیں، جو اسے جامع کارکردگی کی جانچ کے لیے موزوں بناتے ہیں۔
A: جی ہاں، اس کے غیر رابطہ ڈیزائن کی بدولت، FA604 تیز رفتار گھومنے والے آلات کے لیے مثالی ہے، پرچی کی انگوٹھی پہننے اور سگنل کی عدم استحکام سے بچنا۔
A: سلپ رِنگ سینسرز کے مقابلے میں، غیر رابطہ FA604 پیش کرتا ہے:
کوئی پہننا اور کم دیکھ بھال
زیادہ مستحکم سگنل ٹرانسمیشن
مسلسل آپریشن میں بہتر کارکردگی
A: جی ہاں، FIBOS تخصیص کے اختیارات پیش کرتا ہے بشمول ٹارک رینج، شافٹ سائز، آؤٹ پٹ سگنلز (اینالاگ یا ڈیجیٹل)، اور مخصوص ضروریات کو پورا کرنے کے لیے انٹرفیس کی اقسام۔
پریسجن فورس سینسنگ
- استحکام کے لیے انجینئرڈ، درستگی کے لیے کیلیبریٹڈ۔