FA509A
FIBOS
0,22~4,4 toneladas
0.0166%FS
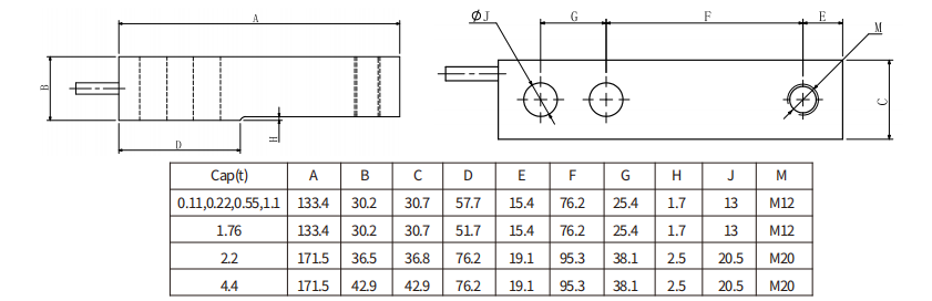
Largo: 133,4 mm; Alto: 30,2 mm; Ancho: 30,7 mm
<0,1 mm
>1000Hz
| Disponibilidad: | |
|---|---|
| Dimensiones(Unidad:mm) |

| Proporcionamos archivos de modelos 3D de nuestros productos. Soporte |
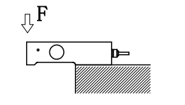
| Dirección de carga | Instalación |
|
|
| Presupuesto |
| Presupuesto | Técnica | |
| Capacidad | 0,22~4,4 toneladas | |
| Sensibilidad | - | |
| Saldo Cero | - | |
| Arrastrarse | 0.0166%FS | |
| No linealidad | 0.0166%FS | |
| Histéresis | 0.0166%FS | |
| Repetibilidad | 0.0166%FS | |
| Impedancia de entrada | - | |
| Impedancia de salida | - | |
| Efecto de la temperatura sobre la sensibilidad | - | |
| Efecto de apisonamiento en cero | - | |
| Resistencia de aislamiento | ≥5000MΩ/100V(CC) | |
| Excitación recomendada | 5V | |
| Máx. Excitación | 15V | |
| Temperatura compensada. Rango | - |
|
| Temperatura de funcionamiento. Rango | -20~80℃ | |
| Sobrecarga segura | 150%FS | |
| Sobrecarga definitiva | - | |
| Tamaño del cable | Φ5.4x3000mm/6000mm | |
| Material | - | |
| Tamaño máximo de la escala |
- |
| Instalación |

| Configuraciones de entrega |

¿Cómo calibrar una celda de carga de Mettler Toledo paso a paso?
¿Cómo calcular el factor de calibración para la celda de carga?
¿Cómo medir la tensión de la cuerda con precisión utilizando una celda de carga?
¿Se puede construir un sistema de medición de tensión simple con Arduino?
¿Qué es la celda de carga del pedal de freno G29 y cómo funciona?
Detección de fuerza de precisión
— Diseñado para brindar estabilidad, calibrado para brindar precisión.