FA115
FIBOS
10,20,50,100,200,300,500,1000,2000kg
≤0.3%F.S.
φ52mm;H15mm
<0.06mm
>1KHz
0.3kg
Stainless steel
| Availability: | |
|---|---|
Compression Ring Type Force Sensor Product Description |
The FIBOS FA115 is a high-precision, multi-range planar load cell made of stainless steel, specifically designed for surface force measurement scenarios. Its optimized mechanical structure ensures excellent linearity and repeatability under both dynamic and static loads, making it an ideal alternative to traditional force sensors, especially suitable for medium-sized industrial tooling, large component assembly, and material surface pressure testing with limited space and high stability requirements.
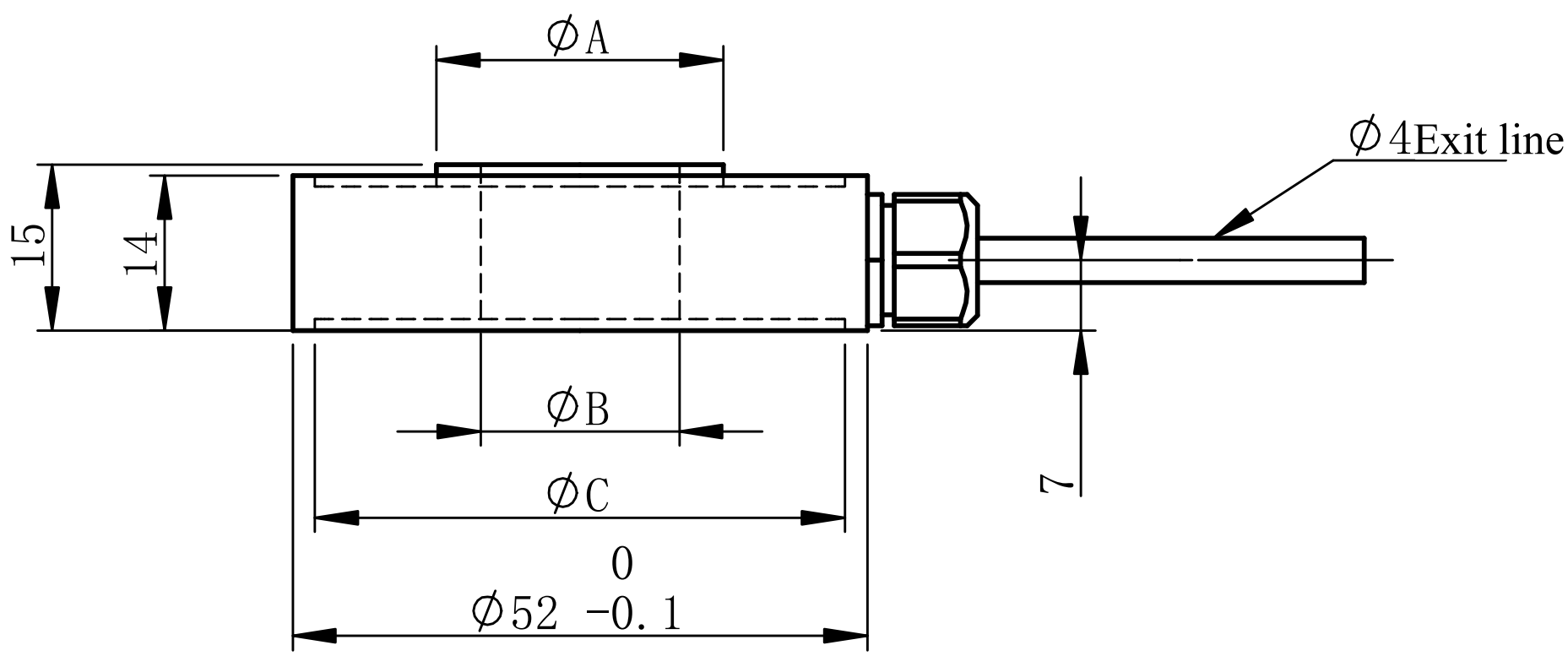
Compression Ring Type Force Sensor Dimensions(Unit:mm) |

Cap(kg) | A | B | C |
| 10~30 | 29 | 20 | 47 |
| 500~2000 | 34 | 20 | 43 |
We provide 3D model files of our products.Support |
Compression Ring Type Force Sensor Load Direction | Compression Ring Type Force Sensor Wiring |
![]() | ![]() |
Compression Ring Type Force Sensor Specifications |
Sensor Physical Parameters | |
Nominal Capacity | 10,20,50,100,200,300,500,1000,2000kg |
Deflection at Full Scale | <0.06mm |
Fundamental resonance frequency (f_G) | >1KHz |
Safe Overload | 150%F.S. |
Operating Temperature | -20~80℃ |
Ingress Protection (IP) | IP65 |
Cable | φ4x3m |
Spring Element Material | 17-4PH |
weight | 0.3kg |
Loading Direction | Compression |
Sensor Accuracy Parameters | |
Combined Error | ≤0.1%F.S. |
Non-linearity | ≤0.3%F.S. |
Hysteresis | ≤0.2%F.S. |
Repeatability | ≤0.2%F.S. |
Creep(30min) | ≤0.1%F.S. |
Temperature Effect on Output | 0.1%F.S./10℃ |
Electrical Parameters | |
Rated Output | 1.5±30%mV/V |
Excitation Voltage | 5V DC |
| Insulation Resistance | ≥5000MΩ/100V(DC) |
Compression Ring Type Force Sensor Installation |
![]() |
| For pressure sensors with spherical probes, it is recommended to use finished high-strength steel for supporting tooling, especially for sensors with larger ranges. |
Force Sensor Styling Suggestions |
![]() |
Force sensor manufacturing process |
Load Cell Force Sensor Non-standard customisation process |
|
| Fibos possesses a professional technical team capable of developing customized products to meet specific client requirements. Our R&D cycle is seamlessly integrated with our in-house production lines, enabling us to deliver relevant products within a short timeframe. |
Force Sensor Case Studies |
Frequently Asked Questions about Force Sensors |
A: The FA115 adopts a hollow ring structure with a central through-hole, allowing bolts or shafts to pass through. Made of stainless steel with an integrated structure, it offers high rigidity and excellent resistance to off-axis loads.
A:This model is widely used in:
Bolt preload measurement
Flange force monitoring
Robotic assembly force feedback
Press-fit force control
Structural and bridge stress monitoring
A: Stainless steel provides excellent corrosion resistance and mechanical strength, ensuring stable operation in humid or harsh environments. It also enhances fatigue resistance and service life.
A: Zero drift may result from material fatigue, temperature changes, mounting stress, and electronics drift. Regular calibration is recommended.
A: Based on strain gauge technology, FA115 offers excellent linearity, repeatability, and low hysteresis, making it suitable for high-precision force measurement applications.
A:Customization options include:
Capacity range (small to high tonnage)
Dimensions and inner hole diameter
Output signals (analog or digital)
Protection level and environmental adaptation
content is empty!
Precision Force Sensing
— Engineered for Stability, Calibrated for Accuracy.