FA803
FIBOS
1,2,3,5,10t
≤0.03%F.S.
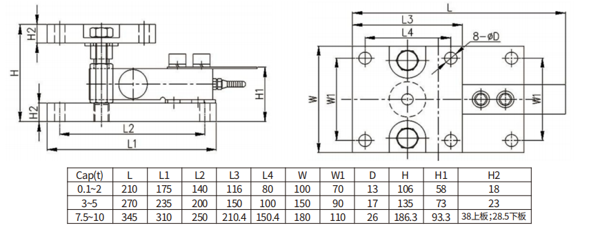
See the detailed dimensions table
-
-
-
Alloy steel/stainless steel
| Availability: | |
|---|---|
Weigh module Product Description |
The FA803 weighing module is constructed from stainless steel, offering an excellent protection rating and strong environmental adaptability, making it suitable for small-to-medium capacity weighing requirements across a wide range of industries. It is equipped with spherical connectors to ensure vertical weighing, whilst support bolts effectively prevent the equipment from tipping over. Installation and maintenance are straightforward, significantly reducing downtime for maintenance. It offers high measurement accuracy, excellent control of various types of error, minimal temperature drift and stable signal output. It is suitable for the batching stages of small to medium-capacity reactors in the chemical, pharmaceutical and food industries, integrates seamlessly with industrial weighing systems and supports customisation to non-standard specifications.
Weigh module Function Feature |
Weigh module Dimensions(Unit:mm) |

We provide 3D model files of our products.Support |
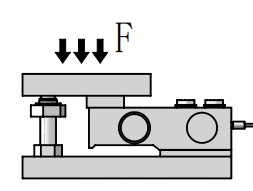
Weigh module Load Direction | Weigh module Wiring |
![]() | Weigh module![]() |
Weigh module Specifications |
Sensor Physical Parameters | |
Nominal Capacity | 1,2,3,5,10t |
Deflection at Full Scale | - |
Fundamental resonance frequency (f_G) | - |
Safe Overload | 150%F.S. |
Operating Temperature | -30~70℃ |
Ingress Protection (IP) | IP68 |
Spring Element Material | Stainless steel/alloy steel |
Sensor Accuracy Parameters | |
Combined Error | ≤0.03%F.S. |
Non-linearity | ≤0.03%F.S. |
Hysteresis | ≤0.03%F.S. |
Repeatability | ≤0.03%F.S. |
Creep(30min) | ≤0.03%F.S. |
Temperature Effect on Output | 0.025%F.S./10℃ |
Electrical Parameters | |
Rated Output | 3.0±0.002mV/V |
Excitation Voltage | 5~15V DC |
| Insulation Resistance | ≥5000MΩ/100V(DC) |
Sensor Styling Suggestions |
![]() |
Force sensor manufacturing process |
Sensor Non-standard customisation process |
|
| Fibos possesses a professional technical team capable of developing customized products to meet specific client requirements. Our R&D cycle is seamlessly integrated with our in-house production lines, enabling us to deliver relevant products within a short timeframe. |
Customer case studies for the Torque series |
Frequently Asked Questions about Force Sensors |
A: The FA803 is widely used in chemical, food, pharmaceutical, feed, and logistics industries, especially for tank weighing, reactor batching, and silo measurement applications.
A:It is suitable for static or low dynamic load environments such as tanks, hoppers, and mixing vessels, especially for medium and big capacity ranges (1T-10T).
A:The built-in anti-tilt support bolt prevents equipment from tipping due to side loads or uneven forces, enhancing safety and stability.
A: The spherical mounting structure automatically aligns the load direction, ensuring vertical force transmission for higher accuracy and reduced installation errors.
A:With IP68 protection, it is resistant to dust and water, making it suitable for harsh environments such as humid or dusty conditions.
Precision Force Sensing
— Engineered for Stability, Calibrated for Accuracy.