FA201
FIBOS
50,100,200,500,1000N
≤0.5%F.S.
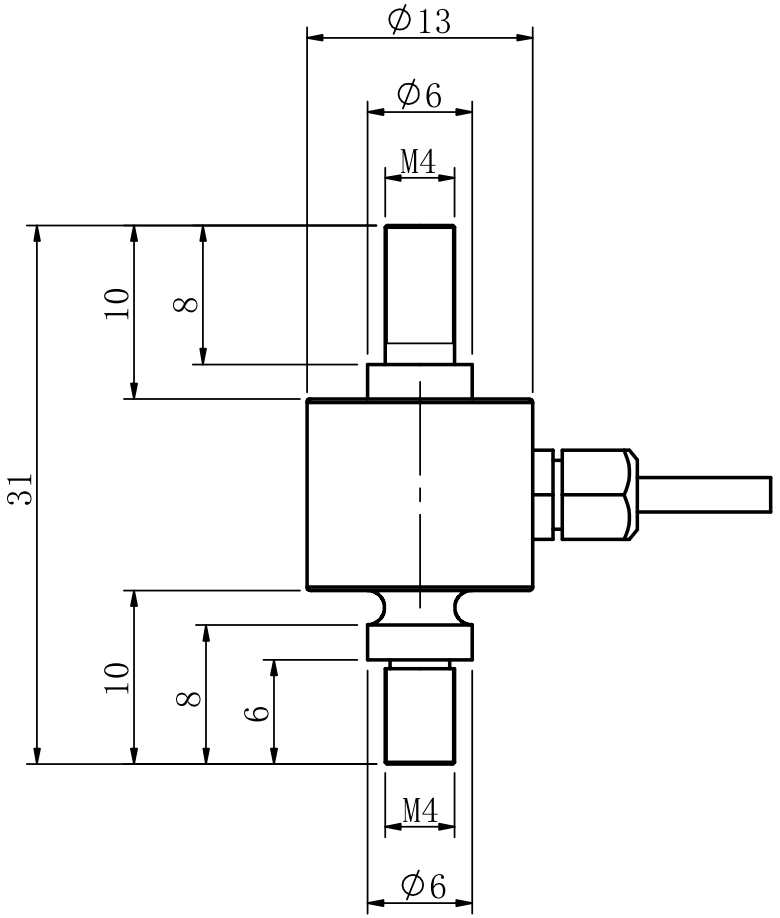
φ13mm;H31mm
<0.014mm
>5KHz
0.2kg
Stainless steel
| Availability: | |
|---|---|
Miniature Inline M4 Load Cell Product Description |
The FIBOS FA201 is a high-precision, ultra-compact screw-type tension and compression load cell made of stainless steel, specifically designed for light-load micro-force measurement scenarios ranging from 50N to 1000N. Its optimized screw-thread mechanical structure ensures excellent linearity and repeatability under both dynamic and static loads, making it an ideal alternative to traditional micro force sensors, especially suitable for precision instruments, 3C micro-component assembly, and laboratory light-load tension-compression testing systems with limited space and high stability requirements.
Miniature Inline M4 Load Cell Dimensions(Unit:mm) |

We provide 3D model files of our products.Support |
Miniature Inline M4 Load Cell Load Direction | Miniature Inline M4 Load Cell Wiring |
![]() | ![]() |
Miniature Inline M4 Load Cell Specifications |
Sensor Physical Parameters | |
Nominal Capacity | 50,100,200,500,1000N |
Deflection at Full Scale | <0.014mm |
Fundamental resonance frequency (f_G) | >5KHz |
Safe Overload | 150%F.S. |
Operating Temperature | -20~70℃ |
Ingress Protection (IP) | IP65 |
Cable | φ2x3m |
Spring Element Material | 17-4PH |
weight | 0.2kg |
Loading Direction | Compression |
Sensor Accuracy Parameters | |
Combined Error | ≤0.5%F.S. |
Non-linearity | ≤0.5%F.S. |
Hysteresis | ≤0.5%F.S. |
Repeatability | ≤0.1%F.S. |
Creep(30min) | ≤0.5%F.S. |
Temperature Effect on Output | 0.1%F.S./10℃ |
Electrical Parameters | |
Rated Output | 1.0±20%mV/V |
Excitation Voltage | 5~12V DC |
| Insulation Resistance | ≥5000MΩ/100V(DC) |
Miniature Inline M4 Load Cell Installation |
![]() |
| During the installation of FA203/ 204/ 205/ 206 and FA114B series, it is necessary to pay attention that the tooling or nut cannot touch the upper surface of the measuring end. |
Miniature Inline M4 Load Cell Styling Suggestions |
![]() |
Force sensor manufacturing process |
Miniature Inline M4 Load Cell Non-standard customisation process |
|
| Fibos possesses a professional technical team capable of developing customized products to meet specific client requirements. Our R&D cycle is seamlessly integrated with our in-house production lines, enabling us to deliver relevant products within a short timeframe. |
Force Sensor Case Studies |
Frequently Asked Questions about Force Sensors |
A: The FA201 is a high-precision threaded tension and compression load cell that uses strain gauge technology to convert force (tension or compression) into electrical signals. This stainless steel force sensor supports bidirectional force measurement and is widely used in industrial automation.
A: Yes, the FA201 is a bidirectional load cell capable of measuring both tension and compression forces. It is ideal for push-pull testing, assembly verification, and force control systems.
A:The FA201 features a threaded mounting design for easy integration. Ensure:
Force is applied along the sensor axis
No side load or eccentric loading
Proper fixtures are used
Correct installation improves accuracy and lifespan.
A: The FA201 is suitable for dynamic force measurement such as vibration and impact testing. For best results, use with a high-speed data acquisition system.
A:Key factors affecting accuracy include:
Eccentric or side loading
Improper installation
Temperature variations
Signal interference
Regular calibration is recommended.
A:FIBOS provides customization options including:
Capacity range
Thread specifications
Output signals (mV/V, 4-20mA, 0-10V)
Dimensions and structure
Ideal for OEM and special applications.
content is empty!
Precision Force Sensing
— Engineered for Stability, Calibrated for Accuracy.