FI12 Series
FIBOS
1.5~450kN
±0.05%FS
See the detailed dimensions table
Alloy Steel/Aluminium alloy
| Availability: | |
|---|---|
Standard Low-Range Spoke Force Transducers Product Description |
The FI12 series of spoke-type low-range sensors are high-performance sensing devices designed specifically for high-precision force measurement applications. Leveraging the mechanical advantages of their spoke-type structure, they deliver highly stable and accurate force sensing, making them widely suitable for a variety of industrial and research applications, including precision force measurement and materials testing.
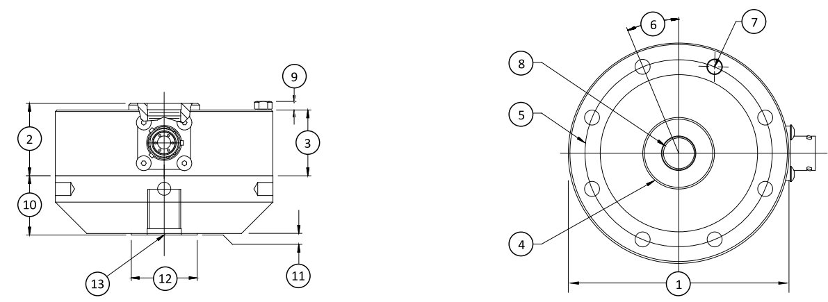
Standard Low-Range Spoke Force Transducers Dimensions(Unit:mm) |

We provide 3D model files of our products.Support |
Installation Dimensions | ||||
Model | FI-1210A | FI-1210B | FI-1220 | FI-1232 |
Capacity | 1.5,2.5,5,10kN | 25,50kN | 100,250kN | 450kN |
1 | φ104.8 | φ104.8 | φ153.9 | φ203.2 |
| 2 | 34.9 | 34.9 | 44.5 | 63.5 |
| 3 | 31.7 | 31.7 | 41.4 | 57.2 |
| 4 | φ34.0 | φ34.0 | φ67.3 | φ95.2 |
| 5 | φ88.9 | φ88.9 | φ130.3 | φ165.1 |
| 6 | 22.5℃ | 22.5℃ | 15℃ | 11.25℃ |
| 7 | 8-φ7.1 | 8-φ7.1 | 12-φ10.4 | 16-φ13.5 |
| 8 | M16x2-4H↧28.4mm | M16x2-4H↧28.4mm | M33x2-4H↧35.6mm | M42x2-4H↧54.6mm |
| 9 | 5.1 | 5.1 | 7.6 | 10.2 |
| 10 | 28.6 | 28.6 | 44.5 | 50.8 |
| 11 | 0.8 | 0.8 | 0.8 | 0.8 |
| 12 | φ31.8 | φ31.8 | φ57.2 | φ76.2 |
| 13 | M16x2-4H↧22.1mm | M16x2-4H↧22.1mm | M33x2-4H↧35.6mm | M42x2-4H↧44.5mm |
| Non-linearity | ±0.05%FS | ±0.05%FS | ±0.05%FS | ±0.05%FS |
| Hysteresis | ±0.05%FS | ±0.05%FS | ±0.05%FS | ±0.05%FS |
| Repeatability | ±0.05%RO | ±0.05%RO | ±0.05%RO | ±0.05%RO |
| Influence of measurement force | ±0.25% | ±0.25% | ±0.25% | ±0.25% |
| Temperature compensation range | -10~45℃ | -10~45℃ | -10~45℃ | -10~45℃ |
| Operating temperature | -30~70℃ | -30~70℃ | -30~70℃ | -30~70℃ |
| Zero drift | ±0.005%RO/℃ | ±0.005%RO/℃ | ±0.005%RO/℃ | ±0.005%RO/℃ |
| Sensitivity | 2.0mV/V | 2.0mV/V | 2.0mV/V | 2.0mV/V |
| Excitation voltage | 15VDC | 15VDC | 15VDC | 15VDC |
| Typical bridge resistance | 350Ohm | 350Ohm | 350Ohm | 350Ohm |
| Zero output | ±3.0%RO | ±3.0%RO | ±3.0%RO | ±3.0%RO |
| Insulation resistance | ≥2000MΩ | ≥2000MΩ | ≥2000MΩ | ≥2000MΩ |
| Safe overload | ±150%CAP | ±150%CAP | ±150%CAP | ±150%CAP |
| Base (optional base) | B(Please refer to the dimensional drawings) | B(Please refer to the dimensional drawings) | B(Please refer to the dimensional drawings) | B(Please refer to the dimensional drawings) |
| Connection method | ACK | ACK | ACK | ACK |
| Calibration method | Tensile & compressive strength | Tensile & compressive strength | Tensile & compressive strength | Tensile & compressive strength |
| Material | Aluminium alloy | Alloy steel | Alloy steel | Alloy steel |
Standard Low-Range Spoke Force Transducers Load Direction | Standard Low-Range Spoke Force Transducers Product Mechanical Interface |
![]() | ![]() |
Standard Low-Range Spoke Force Transducers Installation |
![]() |
| For pressure sensors with spherical probes, it is recommended to use finished high-strength steel for supporting tooling, especially for sensors with larger ranges. |
Force Sensor Styling Suggestions |
![]() |
Force sensor manufacturing process |
Load Cell Force Sensor Non-standard customisation process |
|
| Fibos possesses a professional technical team capable of developing customized products to meet specific client requirements. Our R&D cycle is seamlessly integrated with our in-house production lines, enabling us to deliver relevant products within a short timeframe. |
Force Sensor Case Studies |
Frequently Asked Questions about Force Sensors |
A:It's a high-precision small-range spoke-type load cell for bidirectional tension/compression force measurement, ideal for material testing machines, industrial force monitoring, automation test systems, and calibration equipment.
A:Full range coverage from 1.5kN to 450kN, with models FI-1210A, FI-1210B, FI-1220, FI-1232 to meet different application needs.
A: Professional-grade precision: non-linearity/hysteresis ≤±0.05%FS, repeatability ≤±0.02%RO, 1.0mV/V stable sensitivity for reliable, long-term accurate readings.
A: -30℃ to 70℃ operating range, with -10℃ to 45℃ temperature compensation and ultra-low zero drift, suitable for lab and industrial environments.
A: Standard spoke-type installation, compatible with most universal testing machines and presses. Equipped with ACK bayonet connector for easy wiring, optional base for stable mounting.
A:3m standard cable, with customization available for specific project needs.
Precision Force Sensing
— Engineered for Stability, Calibrated for Accuracy.