FA1141
FIBOS
100,250kN
≤0.02%F.S.
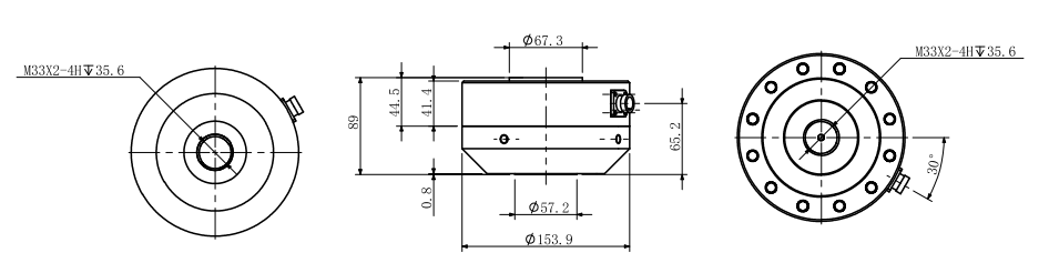
φ153.9mm;H89mm
<0.12mm
>5KHz
-
Alloy steel
| Availability: | |
|---|---|
Compression Precision LowProfile Load Cell Product Description |
The FIBOS FA1141 is an ultra-high precision, small-tonnage load cell (aluminum alloy for 50kg, alloy steel for >50kg), specifically designed for precision force measurement scenarios. Its optimized mechanical structure ensures excellent linearity and ultra-high repeatability under both dynamic and static loads, making it an ideal alternative to traditional high-precision force sensors, especially suitable for precision manufacturing, high-end 3C components, and laboratory material testing with micro-tonnage load and ultra-high stability requirements.
Compression Precision LowProfile Load Cell Dimensions(Unit:mm) |

We provide 3D model files of our products.Support |
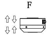
Compression Precision LowProfile Load Cell Load Direction | Compression Precision LowProfile Load Cell Wiring |
![]() | ![]() |
Compression Precision LowProfile Load Cell Specifications |
Sensor Physical Parameters | |
Nominal Capacity | 100,250kN |
Deflection at Full Scale | <0.12mm |
Fundamental resonance frequency (f_G) | >5KHz |
Safe Overload | 150%F.S. |
Operating Temperature | -20~70℃ |
Ingress Protection (IP) | IP66 |
Cable | 3m |
Spring Element Material | Alloy steel |
weight | - |
Loading Direction | Tensile and compressive |
Sensor Accuracy Parameters | |
Combined Error | ≤0.02%F.S. |
Non-linearity | ≤0.03%F.S. |
Hysteresis | ≤0.03%F.S. |
Repeatability | ≤0.02%F.S. |
Creep(30min) | ≤0.02%F.S. |
Temperature Effect on Output | 0.15%F.S./10℃ |
Electrical Parameters | |
Rated Output | 2.0±1%mV/V |
Excitation Voltage | 5~12V DC |
| Insulation Resistance | ≥5000MΩ/100V(DC) |
Compression Precision LowProfile Load Cell Installation |
![]() |
| For pressure sensors with spherical probes, it is recommended to use finished high-strength steel for supporting tooling, especially for sensors with larger ranges. |
Force Sensor Styling Suggestions |
![]() |
Force sensor manufacturing process |
Load Cell Force Sensor Non-standard customisation process |
|
| Fibos possesses a professional technical team capable of developing customized products to meet specific client requirements. Our R&D cycle is seamlessly integrated with our in-house production lines, enabling us to deliver relevant products within a short timeframe. |
Force Sensor Case Studies |
Frequently Asked Questions about Force Sensors |
A:The FA1141 spoke type load cell is widely used in industrial weighing and force measurement applications, including hopper scales, truck scales, rail scales, tank weighing, and heavy equipment load monitoring. It is especially suitable for high-capacity measurements.
A:FA1141 is made of high-strength alloy steel, offering excellent compressive strength and fatigue resistance. It maintains stable performance under heavy loads and impact conditions. Nickel plating enhances its corrosion resistance.
A: The spoke-type structure features radial force distribution, providing excellent resistance to eccentric loads and impacts. It effectively disperses stress and improves service life, making it ideal for heavy-duty applications.
A: Ensure that the load direction is aligned with the sensor axis during installation to avoid lateral forces and torque. The mounting surface should be flat and rigid, and proper mounting accessories are recommended.
A: FA1588 typically has an IP65 or IP67 protection rating, making it suitable for industrial, outdoor, dusty, and humid environments. However, it is not recommended for long-term immersion in water.
A:Yes, customization is available, including capacity range, dimensions, mounting methods, and signal output to meet various application requirements
Precision Force Sensing
— Engineered for Stability, Calibrated for Accuracy.