Micro Compression Load Cell Product Description |
The FIBOS FA101 is a compact, high-precision stainless steel button load cell designed for compression force measurement in industrial applications. Its robust stainless steel construction provides excellent durability and corrosion resistance, ensuring stable performance in demanding environments.
With an optimized internal structure, the FA101 delivers reliable linearity, repeatability, and measurement accuracy. Its low-profile button design allows easy installation in limited spaces, making it ideal for press force monitoring, assembly systems, and small platform weighing applications.
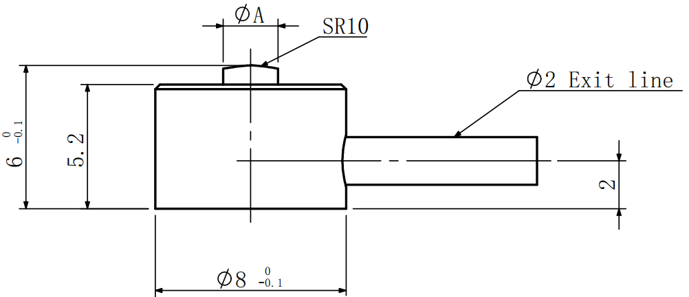
Micro Compression Load Cell Dimensions(Unit:mm) |

We provide 3D model files of our products.Support |
Micro Compression Load Cell Load Direction | Micro Compression Load Cell Wiring |
![]() | ![]() |
Micro Compression Load Cell Specifications |
Sensor Physical Parameters | |
Nominal Capacity | 50,100,200,500,1000N |
Deflection at Full Scale | <0.03mm |
Fundamental resonance frequency (f_G) | >5KHz |
Safe Overload | 150%F.S. |
Operating Temperature | -20~80℃ |
Ingress Protection (IP) | IP65 |
Cable | φ2x3m |
Spring Element Material | 17-4PH |
weight | 0.02kg |
Loading Direction | Compression |
Sensor Accuracy Parameters | |
Combined Error | ≤0.5%F.S. |
Non-linearity | ≤0.5%F.S. |
Hysteresis | ≤0.5%F.S. |
Repeatability | ≤0.5%F.S. |
Creep(30min) | ≤0.5%F.S. |
Temperature Effect on Output | 0.1%F.S./10℃ |
Electrical Parameters | |
Rated Output | 1.0±30%mV/V |
Excitation Voltage | 5~10V DC |
| Insulation Resistance | ≥5000MΩ/100V(DC) |
Micro Compression Load Cell Installation |
![]() |
| For pressure sensors with spherical probes, it is recommended to use finished high-strength steel for supporting tooling, especially for sensors with larger ranges. |
Micro Compression Load Cell Styling Suggestions |
![]() |
Force sensor manufacturing process |
Micro Compression Load Cell Non-standard customisation process |
|
| Fibos possesses a professional technical team capable of developing customized products to meet specific client requirements. Our R&D cycle is seamlessly integrated with our in-house production lines, enabling us to deliver relevant products within a short timeframe. |
Force Sensor Case Studies |
Frequently Asked Questions about Force Sensors |
A: The FA101 button type load cell is a compact compression force sensor that uses strain gauge technology to convert applied force into an electrical signal.
A: The FA101 button load cell is widely used in automation equipment, press-fit force measurement, electronic testing machines, medical devices, and laboratory testing systems.
A: The FA101 load cell is available in multiple capacity ranges to meet different compression force measurement requirements.
A: During installation, ensure that the force is applied evenly and avoid side loads or eccentric loading. A flat mounting surface helps maintain accuracy and stability.
A: The FA101 typically provides an mV/V analog output signal and should be used with an amplifier or data acquisition system.
A: Button type load cells feature compact size, simple structure, easy installation, and fast response, making them ideal for applications with limited installation space.
Precision Force Sensing
— Engineered for Stability, Calibrated for Accuracy.