FA301
FIBOS
5,10,20,50,100,200N
≤0.1%F.S.
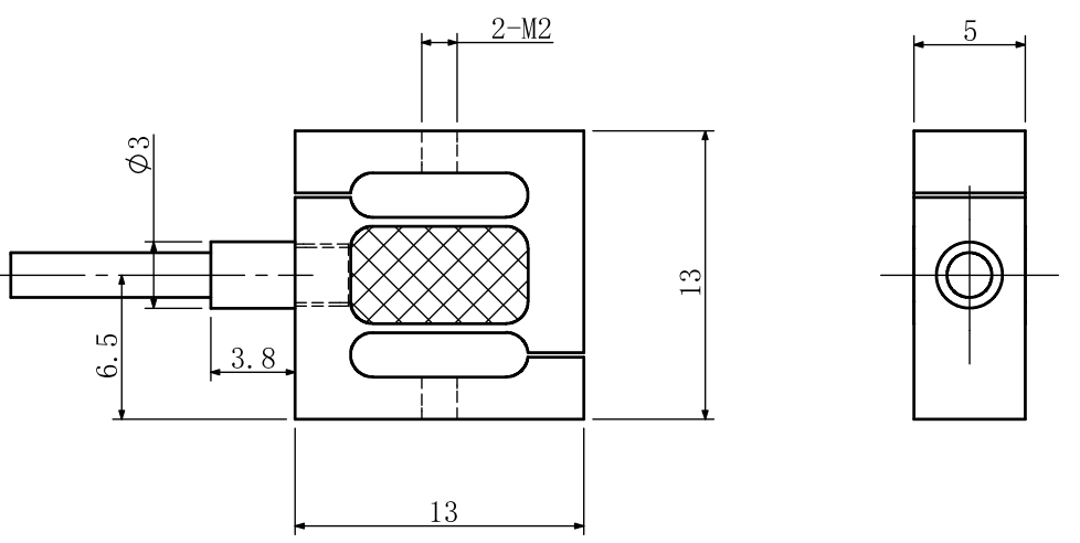
L:13mm;H:13mm;W:5mm
<0.094mm
>1KHz
0.1kg
Stainless steel
| Availability: | |
|---|---|
Mini S Type Force Transducer Product Description |
The FIBOS FA301 is a high-precision stainless steel tension and compression load cell designed for low-capacity applications requiring compact size and high accuracy. Its S-type structure enables reliable bidirectional force measurement with excellent linearity, repeatability, and long-term stability. With a range of 5N to 200N, it is ideal for precision testing, automation systems, and laboratory use. The IP65 protection ensures durability and reliable performance in demanding environments.
Mini S Type Force Transducer Dimensions(Unit:mm) |

We provide 3D model files of our products.Support |
Mini S Type Force Transducer Load Direction | Mini S Type Force Transducer Wiring |
![]() | ![]() |
Mini S Type Force Transducer Specifications |
Sensor Physical Parameters | |
Nominal Capacity | 5,10,20,50,100,200N |
Deflection at Full Scale | <0.094mm |
Fundamental resonance frequency (f_G) | >1KHz |
Safe Overload | 150%F.S. |
Operating Temperature | -20~70℃ |
Ingress Protection (IP) | IP65 |
Cable | φ2x3m |
Spring Element Material | 17-4PH |
weight | 0.2kg |
Loading Direction | Compression |
Sensor Accuracy Parameters | |
Combined Error | ≤0.1%F.S. |
Non-linearity | ≤0.1%F.S. |
Hysteresis | ≤0.1%F.S. |
Repeatability | ≤0.1%F.S. |
Creep(30min) | ≤0.1%F.S. |
Temperature Effect on Output | 0.1%F.S./10℃ |
Electrical Parameters | |
Rated Output | 2.0±20%mV/V |
Excitation Voltage | 5~12V DC |
| Insulation Resistance | ≥5000MΩ/100V(DC) |
Mini S Type Force Transducer Installation |
![]() |
| The load must be applied along the axial (vertical) direction. Avoid any side force, bending moment, or torque, as it may affect accuracy or damage the sensor. |
Recommended force sensor combinations |
![]() |
Force sensor manufacturing process |
Miniature Inline M4 Load Cell Non-standard customisation process |
|
| Fibos possesses a professional technical team capable of developing customized products to meet specific client requirements. Our R&D cycle is seamlessly integrated with our in-house production lines, enabling us to deliver relevant products within a short timeframe. |
Force Sensor Case Studies |
Frequently Asked Questions about Force Sensors |
A: The FA301 S-type load cell is widely used in industrial force measurement applications such as crane scales, hopper weighing, tensile testing machines, automated assembly lines, and logistics weighing systems.
A: The FA301 is made of high-quality stainless steel, offering excellent corrosion resistance and mechanical strength, ensuring stable performance in harsh environments such as humid or dusty conditions.
A:Yes, the FA301 is a bidirectional load cell that can measure both tension and compression forces, making it suitable for various force testing applications.
A: The S-type structure provides symmetrical deformation under load, ensuring excellent linearity and resistance to off-center loading. The threaded holes on both ends allow flexible installation with rods or hooks.
A:The FA301 offers excellent linearity, repeatability, and long-term stability. It also provides strong resistance to interference, ensuring reliable measurement results.
A:Yes, FIBOS offers customization options including capacity range, dimensions, thread specifications, output signals, and adaptations for special environments.
content is empty!
Precision Force Sensing
— Engineered for Stability, Calibrated for Accuracy.