FBNJ6101
FIBOS
| Availability: | |
|---|---|
Wide-range dynamic torque transducer Product Description |
Capable of measuring both static and dynamic torque;
High measurement accuracy, excellent stability and strong resistance to interference;
Compact, lightweight and easy to install;
Continuous measurement of forward and reverse torque without the need for repeated zeroing;
Utilises a non-contact principle with no wear-prone components such as slip rings, enabling long-term operation at high speeds;
High resistance to interference, allowing installation in any position and orientation (horizontal/vertical);
The sensor unit can be used independently of the secondary instrument, forming a torque measurement system directly with measurement boards, PLCs or DCS systems.
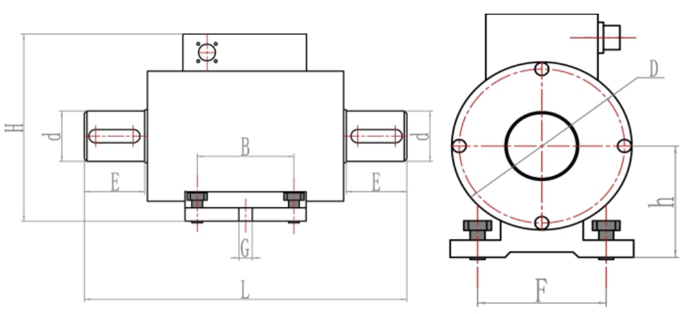
Wide-range dynamic torque transducer Dimensions(Unit:mm) |


We provide 3D model files of our products.Support |
Wide-range dynamic torque transducer Specifications |
Specifications | Technique |
| Capacity | 5Nm, 10Nm, 20Nm, 50Nm, 100Nm, 20ONm, 50ONm,1000Nm, 2000Nm,500ONm,1万Nm, 2万Nm, 3万Nm,5万Nm、10万Nm、20万Nm、30万Nm、50万Nm、60万Nm、100万Nm |
| Power supply | 15 VDC (suitable for frequency signal output), optional 24 VDC power supply |
| Torque signal | 5–15 kHz (amplitude 12 V, zero point 10 kHz), optional modules or instruments for transmitting output currents of 4–20 mA, voltages of 1–5 V, 0–10 V, ±5 V, ±10 V, or communication via RS-232/RS-485, etc. |
| RPM range | 0–1000, 3000, 6000, 8000 rpm, etc |
| Speed signal | 60 pulses per revolution (no cumulative error, 12 VDC), optionally configurable with a signal conversion module or instrument to output current 4–20 mA, voltage 1–5 V, 0–10 V, ±5 V, ±10 V or communication via RS232/RS485, etc. |
| Accuracy | Default ±0.5% (0.1%, 0.2%, 0.25%, 0.3%) optional |
| Annual stability | 0.3% per annum |
| Insulation resistance | ≥200M2(100VDC) |
| Ambient temperature | -20–60°C (customisable high/low temperature models, explosion-proof models, torque-angle models, high-speed models, non-standard dimensions, etc.) |
| Relative humidity | 0~90%RH |
| Overload capacity | 150% |
| Frequency response | 3ms |
Wide-range dynamic torque transducer Installation |
![]() |
| Please fit a bearing between the coupling and the other components to support the housing. |
Sensor Styling Suggestions |
![]() |
Force sensor manufacturing process |
Sensor Non-standard customisation process |
|
| Fibos possesses a professional technical team capable of developing customized products to meet specific client requirements. Our R&D cycle is seamlessly integrated with our in-house production lines, enabling us to deliver relevant products within a short timeframe. |
Customer case studies for the Torque series |
Frequently Asked Questions about Force Sensors |
A: It measures both static torque and rotating/dynamic torque (including forward/reverse rotation).
A: It uses non-contact signal transmission (no slip rings/wear parts) with outputs including 5-15kHz frequency, 4-20mA, ±5/±10V, and RS232/RS485.
A: Torque ranges from 5N·m to 60,000N·m. Default accuracy is ±0.5%FS (options down to ±0.1%FS).
A: Yes. Compact size, no friction parts, and can be installed in any orientation (horizontal/vertical) via shaft coupling.
A: Yes. The sensor works independently, connecting directly to PLCs, DAQ cards, or DCS systems.
A: Yes. Features strong anti-interference, 150% overload capacity, and operates in -20℃ to 60℃ (customizable extremes).
A: Supports up to 8000 RPM (model-dependent) with a fast 3ms frequency response for dynamic testing.
Precision Force Sensing
— Engineered for Stability, Calibrated for Accuracy.